14/08/2025
En el vasto universo de la electrónica, los amplificadores son componentes esenciales que impulsan una innumerable cantidad de circuitos. Desde sistemas de audio de alta fidelidad hasta equipos médicos de diagnóstico, su capacidad para tomar una señal pequeña y transformarla en una más grande es fundamental. Entre la diversidad de amplificadores, dos tipos destacan por su relevancia y versatilidad: los amplificadores diferenciales y los amplificadores operacionales. Aunque a menudo se confunden por compartir ciertas características, cada uno posee funciones y aplicaciones muy específicas que los hacen únicos. En este artículo, desentrañaremos el misterio del amplificador diferencial, explorando su funcionamiento, sus aplicaciones y, crucialmente, en qué se diferencia de su primo, el amplificador operacional.

Prepárate para comprender cómo estos ingeniosos dispositivos logran la precisión en un mundo lleno de interferencias, amplificando solo la información relevante y dejando de lado el ruido. Descubre el poder del rechazo de modo común y cómo impacta directamente en la calidad de tus mediciones y señales.
- ¿Qué es un Amplificador Diferencial?
- ¿Qué Hace un Amplificador Diferencial y Cómo Funciona?
- Diferencias Cruciales: Amplificador Diferencial vs. Amplificador Operacional
- La Ganancia en el Mundo de los Amplificadores: Conceptos Clave
- Ganancia en Bucle Abierto: Un Concepto Fundamental
- Preguntas Frecuentes sobre Amplificadores Diferenciales
- Conclusión
¿Qué es un Amplificador Diferencial?
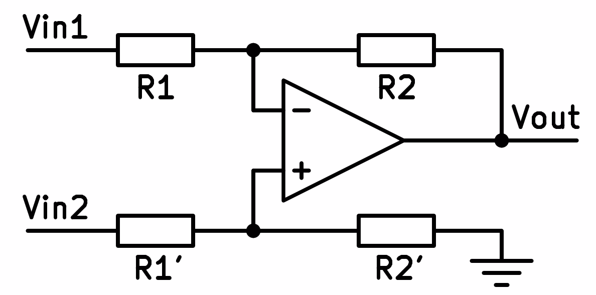
Un amplificador diferencial es un tipo especializado de amplificador electrónico diseñado con un propósito muy particular: amplificar la diferencia de voltaje entre dos señales de entrada. A diferencia de otros amplificadores que toman una única señal y la amplifican con respecto a una referencia (comúnmente tierra), el amplificador diferencial opera bajo un principio comparativo. Recibe simultáneamente dos señales de entrada, las procesa y produce una salida que es proporcional únicamente a la disparidad entre ellas. Esta característica lo convierte en una herramienta invaluable en escenarios donde las señales a medir son intrínsecamente pequeñas, están inmersas en un entorno ruidoso o requieren una alta fidelidad.
La arquitectura interna de un amplificador diferencial generalmente comprende dos terminales de entrada bien definidas: una entrada positiva, también conocida como no inversora, y una entrada negativa, o inversora. La magia ocurre cuando la señal de salida resultante es una función directa de la resta algebraica entre las señales aplicadas a estas dos entradas. Este comportamiento inherente lo posiciona como la elección predilecta para aplicaciones críticas en el ámbito de la medición, la instrumentación de precisión y el procesamiento de señales, donde la integridad y la exactitud de las señales son de suma importancia.
¿Qué Hace un Amplificador Diferencial y Cómo Funciona?
El objetivo fundamental de un amplificador diferencial es realzar la diferencia de voltaje entre dos puntos específicos de un circuito o sistema. Imagina una situación en la que la señal que deseas analizar está mezclada con interferencias o ruido eléctrico. Aquí es donde el amplificador diferencial brilla: tiene la asombrosa capacidad de discernir y descartar cualquier señal que sea común a ambas entradas, es decir, el ruido de modo común, mientras amplifica con gran eficacia solo la variación genuina que te interesa. Esta habilidad para “ignorar” lo que no es relevante es lo que le otorga su valor excepcional.
Una de las propiedades más distintivas y celebradas de los amplificadores diferenciales es su impresionante capacidad de Proporcionar un alto Rechazo de Modo Común (CMRR). El CMRR es una métrica crucial que cuantifica la eficacia con la que un amplificador puede suprimir o eliminar las señales (ruido, interferencias) que aparecen simultáneamente y con la misma fase en ambas entradas. Un CMRR elevado indica que el amplificador es extremadamente competente para filtrar ruidos indeseados y otras interferencias, lo que se traduce en una mejora radical de la calidad de la señal de salida. Esta característica los convierte en componentes irremplazables en una amplia gama de sistemas y aplicaciones que exigen una alta precisión y fiabilidad:
- Mediciones de Señales Débiles: Son ideales en entornos donde la señal de interés es extremadamente pequeña en comparación con el ruido ambiental. Por ejemplo, en sensores biomédicos o transductores de baja salida, donde el ruido puede fácilmente enmascarar la señal útil.
- Sistemas de Audio Balanceados: Se utilizan para eliminar zumbidos y ruidos inducidos en cables largos. Al enviar la misma señal en dos fases opuestas y luego amplificar la diferencia, cualquier ruido que afecte a ambos cables por igual es cancelado.
- Electrocardiogramas (ECG): En medicina, para medir las señales eléctricas del corazón, que son muy débiles y están a menudo acompañadas de ruidos biológicos y eléctricos. El amplificador diferencial aísla la señal cardíaca deseada del ruido de fondo.
- Instrumentación Industrial: En fábricas y entornos industriales, donde las máquinas y los motores generan mucho ruido electromagnético. Los amplificadores diferenciales aseguran que las lecturas de los sensores sean precisas.
Diferencias Cruciales: Amplificador Diferencial vs. Amplificador Operacional
Aunque tanto los amplificadores diferenciales como los amplificadores operacionales (op-amps) son pilares de la electrónica y pueden parecer superficialmente similares, existen disparidades fundamentales en su diseño intrínseco, su principio de funcionamiento y sus aplicaciones típicas. Comprender estas diferencias es clave para seleccionar el componente adecuado para cada tarea. A continuación, exploraremos en detalle las principales distinciones entre estos dos tipos de amplificadores:
| Característica | Amplificador Diferencial | Amplificador Operacional (Op-Amp) |
|---|---|---|
| Principio de Funcionamiento | Amplifica exclusivamente la diferencia de voltaje entre dos señales de entrada, con un fuerte rechazo de modo común. Su función es muy específica y orientada a la precisión en ambientes ruidosos. | Es un amplificador de voltaje de alta ganancia, extremadamente versátil y configurable para una multitud de funciones (filtros, osciladores, comparadores, sumadores, etc.). Aunque puede operar en modo diferencial, su uso es mucho más amplio y adaptable. |
| Configuración de Entrada | Diseñado con dos entradas (no inversora y inversora) que son esenciales para calcular la diferencia de voltaje. Esta configuración es intrínseca a su capacidad de amplificar la diferencia y rechazar ruido común. | También tiene dos entradas (no inversora y inversora), pero su flexibilidad permite que estas se configuren de múltiples maneras con componentes externos para diversas aplicaciones, más allá de la simple amplificación diferencial. |
| Aplicaciones Típicas | Principalmente utilizado en situaciones que demandan alta precisión en la amplificación de señales débiles o ruidosas, como instrumentación de laboratorio, sistemas biomédicos (ECG), acondicionamiento de señales de sensores y audio balanceado. | Utilizado en una gama vastísima de aplicaciones, desde amplificación de propósito general hasta operaciones matemáticas complejas, filtros activos, sistemas de control, generadores de ondas y mucho más, gracias a su adaptabilidad. |
| Ganancia y Características Técnicas | Suele tener una ganancia constante y bien definida que depende de la diferencia entre las señales de entrada. Su rendimiento está fuertemente caracterizado por su excelente CMRR. | Su ganancia es extremadamente alta en lazo abierto (idealmente infinita) y se configura con precisión mediante componentes externos (resistencias, capacitores) en una configuración de lazo cerrado, permitiendo ganancias variables y diversas funciones. |
En resumen, mientras que el amplificador diferencial es un especialista en la amplificación de la diferencia con un impresionante rechazo de ruido, el amplificador operacional es un generalista adaptable, capaz de realizar una enorme variedad de funciones electrónicas mediante su configuración externa. Ambos son componentes fundamentales, pero con propósitos y nichos de aplicación distintos.

La Ganancia en el Mundo de los Amplificadores: Conceptos Clave
La ganancia es un concepto fundamental en el estudio de cualquier tipo de amplificador, ya sea diferencial u operacional. En términos sencillos, la ganancia de un amplificador es la medida de cuánto puede aumentar la magnitud de una señal de entrada. Puede referirse a la ganancia de voltaje, corriente o potencia. Para los amplificadores de voltaje, que son los que nos ocupan principalmente, la ganancia se define como la relación entre la señal de salida y la señal de entrada.
La ganancia de voltaje (A) se calcula generalmente como:
A = V_out / (V_in+ - V_in-)
Donde V_out es el voltaje de salida y (V_in+ - V_in-) es el voltaje diferencial entre las entradas no inversora y inversora. Es crucial entender que la ganancia no es un valor estático y puede verse influenciada por varios factores:
- Resistencia de Realimentación: En circuitos con realimentación, la relación entre la resistencia de realimentación y la resistencia de entrada es el factor más significativo que determina la ganancia.
- Frecuencia: A medida que la frecuencia de la señal de entrada aumenta, la ganancia de la mayoría de los amplificadores tiende a disminuir. Esto se conoce como la respuesta en frecuencia del amplificador.
- Temperatura: Los cambios en la temperatura ambiente pueden afectar las características de los componentes internos del amplificador, alterando sutilmente su ganancia.
Tipos de Configuración de Ganancia en Amplificadores Operacionales (Contexto Comparativo)
Aunque nuestro foco principal es el amplificador diferencial, es valioso explorar cómo la ganancia se maneja en los amplificadores operacionales, ya que a menudo se utilizan como bloques de construcción para funciones diferenciales o se confunden con ellos. La versatilidad de los op-amps se manifiesta en las diferentes configuraciones que permiten controlar su ganancia:
1. Amplificador Inversor
Un amplificador operacional configurado como inversor produce una señal de salida que está 180 grados desfasada con respecto a la señal de entrada. Es decir, si la entrada es positiva, la salida es negativa, y viceversa. Esta característica de inversión de fase es una propiedad única y muy útil en ciertas aplicaciones. La ganancia de un amplificador inversor está determinada principalmente por la relación entre la resistencia de realimentación (R_f) y la resistencia de entrada (R_i).
La fórmula para la ganancia de voltaje (A) de un amplificador inversor es:
A = -R_f / R_i
El signo negativo indica la inversión de fase. Por ejemplo, si R_f es 10 kΩ y R_i es 1 kΩ, la ganancia sería -10. Esto significa que la señal de salida tendrá diez veces la amplitud de la entrada, pero invertida en fase. Esta configuración es ideal para cuando se necesita una inversión de fase o un control preciso de la magnitud de la señal.
2. Amplificador No Inversor
A diferencia del inversor, el amplificador operacional no inversor mantiene la señal de salida en fase con la señal de entrada. Es decir, si la entrada sube, la salida también sube. Esta configuración es muy común cuando se requiere amplificación sin alteración de la fase de la señal.
La ganancia de voltaje (A) de un amplificador no inversor se calcula mediante la fórmula:
A = 1 + (R_f / R_i)
Aquí, no hay signo negativo, lo que confirma que la salida está en fase con la entrada. Ajustando los valores de R_f y R_i, se puede obtener una amplia gama de ganancias. Esta configuración es fundamental en sistemas de sonido, receptores de radio y cualquier aplicación donde la fidelidad de fase es crucial.
3. Amplificador de Ganancia Unitaria (Buffer)
El amplificador de ganancia unitaria, también conocido como seguidor de voltaje o buffer, es un caso especial de amplificador no inversor donde la ganancia es exactamente '1'. Esto significa que la señal de salida es una réplica exacta de la señal de entrada, sin ninguna amplificación.

Aunque no amplifica, su utilidad es inmensa. Se utiliza principalmente como amortiguador de impedancia. Esto es vital cuando se conecta una fuente con alta impedancia de salida a una carga con baja impedancia de entrada. Sin un buffer, la carga podría “robar” demasiada corriente de la fuente, distorsionando la señal. El amplificador de ganancia unitaria aísla las etapas del circuito, asegurando que la integridad de la señal se mantenga y evitando distorsiones no deseadas. Son comunes en convertidores analógico-digitales, cadenas de señales de audio y líneas de transmisión.
Ganancia en Bucle Abierto: Un Concepto Fundamental
En el ámbito de los amplificadores operacionales, el concepto de ganancia en bucle abierto es de suma importancia. El término 'bucle abierto' se refiere a una configuración donde no hay realimentación de la salida a la entrada. La ganancia en esta condición se conoce como Ganancia de Bucle Abierto (A_ol).
La ganancia en bucle abierto es la ganancia máxima que un amplificador operacional puede proporcionar sin ninguna restricción externa o realimentación. Este valor es típicamente muy alto, a menudo del orden de decenas de miles o incluso cientos de miles. Es una medida del potencial de amplificación intrínseco del op-amp en condiciones ideales. La ecuación para calcular la ganancia en bucle abierto es:
A_ol = V_out / V_in
Donde V_in es el voltaje diferencial en las entradas sin realimentación. Sin embargo, a pesar de su magnitud, la ganancia en bucle abierto es altamente variable. Depende de factores como la temperatura, la frecuencia de la señal y el envejecimiento de los componentes. Además, tiende a disminuir drásticamente a medida que aumenta la frecuencia de la señal, lo que limita su aplicación práctica directa.
En la práctica, los amplificadores operacionales casi siempre funcionan en una configuración de bucle cerrado, donde una porción de la señal de salida se realimenta a la entrada. Esta realimentación, generalmente negativa, estabiliza la ganancia, la hace menos dependiente de las variaciones del componente y permite un control preciso de la función del circuito. La ganancia en bucle abierto es importante porque, aunque no se usa directamente, influye en el comportamiento del amplificador en bucle cerrado y es un indicador clave de su calidad y capacidad inherente.
Preguntas Frecuentes sobre Amplificadores Diferenciales
¿Por qué se usa un amplificador diferencial en un ECG?
En un electrocardiograma (ECG), las señales eléctricas del corazón son extremadamente débiles (del orden de milivoltios o microvoltios) y están a menudo acompañadas de una gran cantidad de ruido de fondo, como interferencias de la red eléctrica (50/60 Hz) o ruido muscular. Un amplificador diferencial es ideal porque puede amplificar la pequeña diferencia de voltaje entre dos puntos del cuerpo (la señal cardíaca) mientras rechaza eficazmente el ruido de modo común que afecta a ambos electrodos por igual. Esto garantiza una señal limpia y precisa para el diagnóstico.

¿Qué significa un alto CMRR?
Un alto CMRR (Common Mode Rejection Ratio o Relación de Rechazo de Modo Común) significa que el amplificador es muy bueno para ignorar o suprimir las señales (ruido) que aparecen simultáneamente y con la misma amplitud y fase en ambas entradas. Cuanto mayor sea el CMRR, mejor será el amplificador para extraer una señal diferencial genuina de un entorno ruidoso, lo que resulta en una mayor calidad y fiabilidad de la señal de salida.
¿Puedo usar un amplificador operacional como amplificador diferencial?
Sí, un amplificador operacional (op-amp) puede configurarse para funcionar como un amplificador diferencial. De hecho, muchas configuraciones de amplificadores diferenciales se construyen utilizando uno o más op-amps, junto con resistencias externas. Sin embargo, los amplificadores diferenciales dedicados (integrados) a menudo ofrecen un rendimiento superior en términos de CMRR, estabilidad y otras características para aplicaciones de alta precisión, ya que están optimizados para esa función específica.
¿Cuál es la principal ventaja de un amplificador diferencial sobre un amplificador de entrada única?
La principal ventaja es su capacidad para rechazar el ruido de modo común. Un amplificador de entrada única amplificará tanto la señal deseada como cualquier ruido presente en esa señal con respecto a tierra. En cambio, un amplificador diferencial solo amplifica la *diferencia* entre dos señales, lo que significa que el ruido que aparece por igual en ambas entradas se cancela, resultando en una señal de salida mucho más limpia y robusta.
Conclusión
Los amplificadores diferenciales son componentes indispensables en el arsenal de cualquier ingeniero electrónico o entusiasta que busque la máxima precisión y fiabilidad en sus mediciones y sistemas. Su habilidad única para amplificar solo la diferencia entre dos señales y, crucialmente, para rechazar el ruido de modo común, los distingue de otros tipos de amplificadores. Hemos visto cómo esta característica los hace ideales para aplicaciones críticas en medicina, instrumentación y audio. Aunque comparten algunas similitudes con los versátiles amplificadores operacionales, sus funciones y diseños específicos los posicionan para tareas distintas y complementarias.
Comprender cómo funcionan los amplificadores diferenciales, sus diferencias con los op-amps, y los conceptos de ganancia y rechazo de modo común, es fundamental para diseñar circuitos eficientes y de alto rendimiento. En un mundo cada vez más ruidoso, la capacidad de un amplificador diferencial para discernir la señal relevante del caos de interferencias es, sin duda, una de sus mayores fortalezas y un testimonio de su importancia en la electrónica moderna.
Si quieres conocer otros artículos parecidos a ¿Cómo Funciona un Amplificador Diferencial? puedes visitar la categoría Cálculos.
